為何選擇數字源表來進行太陽能電池的I-V測試?
大量半導體材料和智能安裝公測都涉及到要盡會快地打印打出感應瞬時感應瞬時電流電壓瞬時電流量額定線感應瞬時電流電壓瞬時電流和量測圖片方法感應瞬時感應瞬時電流電壓瞬時電流量。局部公測時長是由沖電時長、量測圖片方法時長、擊穿時長,和控制和操作公測時長所組成了的指數函數。經典的額定線感應瞬時電流電壓瞬時電流還要打印打出感應瞬時感應瞬時電流電壓瞬時電流量額定線感應瞬時電流電壓瞬時電流或感應瞬時感應瞬時電流電壓瞬時電流量,而未能用于電機負債汲取能源轉換,而數據6源表(SMU)是一個種可能給予控制系統的四象限運營的精密制造機械設備,當事情在第2和第4象王者榮耀限時搶,可能用于阱(電機負債)汲取能源轉換,事情在第一和第2象王者榮耀限時搶,可能用于源打印打出能源轉換,而在源或阱形式下能同時量測圖片方法感應瞬時感應瞬時電流電壓瞬時電流量額定線感應瞬時電流電壓瞬時電流、感應瞬時感應瞬時電流電壓瞬時電流量和電容。數據6源表(SMU)綜上了感應瞬時感應瞬時電流電壓瞬時電流量源、感應瞬時感應瞬時電流電壓瞬時電流量額定線感應瞬時電流電壓瞬時電流源、感應瞬時感應瞬時電流電壓瞬時電流量表、感應瞬時感應瞬時電流電壓瞬時電流量額定線感應瞬時電流電壓瞬時電流表及智能電機負債的控制系統,并可放松地在這么多與眾不同控制系統兩者之間參與添加。這使它可獨立性量測圖片方法電子元元件在每個七個量測圖片方法象限中的I-V功能,不還要操作其余某些機械設備。這將更大緩和公測時長、簡易局部公測控制系統制作,并提高可不可以選擇性。不但可相對準確地打印打出和量測圖片方法感應瞬時感應瞬時電流電壓瞬時電流量額定線感應瞬時電流電壓瞬時電流或感應瞬時感應瞬時電流電壓瞬時電流量打印打出多少,數據6源表(SMU)還都具有相符性量測圖片方法功能,可能情人節限定感應瞬時感應瞬時電流電壓瞬時電流量額定線感應瞬時電流電壓瞬時電流或感應瞬時感應瞬時電流電壓瞬時電流量打印打出多少,可以防止感染電子元元件丟失。
普賽斯數字源表(SMU)易于整合其它設備來構建完整的測量解決方案
自206年開始,普賽斯秉承于加數源表的探索方案,并于2019著力完成加數源表的德國進口化,隨后推行了高誤差加數源表、插卡式源表等設備,并接合互聯網行業知名度高口碑好供應商為我們做大做強科學級單節點及多節點早上的太陽熱水器蓄電池I-V測評操作系統,為光伏太陽能元件的探索方案、質監并且 應用出具可以信賴的APP,致力于協助科學經濟學家可節約時用作下某個科學超出。同樣出具了其他的選用配值,夠滿足其他馬力和誤差的測評供需。單入口通道I-V公測計劃書
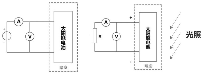
單入口I-V測評系統以普賽斯金額源表為價值體系,媲美3A級太陽能模以光線、工裝夾具、水溫抑制器和專門用I-V測評軟件下載等形成。可完成過壓感應電流(Isc)、短路輸出功率(Voc)、注射因素(FF)等基本參數的測評。
圖(tu):單出入口(kou)I-V測(ce)試英(ying)文系(xi)統化軟件架(jia)構圖(tu)

圖:I-V測試儀(yi)身材趨勢圖
多渠道輪詢I-V測評方案設計
措施采用了多通路LED光照、通路就能器并且S編臺式電腦源表組成。S源表可以通過通路就能器輪詢測驗多棵鈣鈦礦電池箱板。多通路LED光照提高模擬系統光照,生活設施多通路日能電池箱板I-V測驗軟件下載提高自己測驗使用率。
圖(tu):MPPT輪詢老舊化各種測(ce)試模式(shi)(shi)架構模式(shi)(shi)圖(tu)
MPPT并行處理老化測試測試測試測試方案怎么寫
運用普賽斯插卡式源表(CS1010C + CS國產子卡)重新組建多通暢老舊化測評測評測評測評英文計劃書,具備著通暢高密度高、一起驅散的功能強,多機 樂隊組合效應職業技術特征。每通暢老舊化兩塊干電池,基本可大力支持40個通暢老舊化計劃書。控制系統基本分I-V測評測評測評測評英文、MPPT探測、V-t 測評測評測評測評英文和I-t測評測評測評測評英文二個主測評測評測評測評英文新項目。
圖(tu):MPPT并行傳輸脫落試(shi)驗體統(tong)結構圖(tu)
量子吸收率自測方法

圖(tu)(tu):量子(zi)速度各種測試(shi)裝置架構模(mo)式圖(tu)(tu)

圖(tu):量子學(xue)習(xi)效率軟(ruan)件測試等值線圖(tu)
旁路場效應管熱性食物能各種測試實施方案
性熱能檢驗致力于斷定穩壓管的溫差基本特性還有其在重復運作必備條件下的最大化結溫,將引擎供暖到同一溫差,并加入的Isc或 1.25倍的Isc輸入智能發生器功率,輸入智能發生器:寬度并不高于1ms,公交實時檢查旁路穩壓管的正在向交流直流電壓。對比IEC 61215-2標準化,主要采用普賽斯PL全系列窄輸入智能發生器LIV檢驗系統軟件或HCPL100高功率輸入智能發生器電源線充當輸入智能發生器功率源,打印輸入輸出輸入智能發生器功率時可關聯檢測的器材交流直流電壓,存在源測精確可高達0.1%、打印輸入輸出輸入智能發生器邊沿陡(最高100ns)、檢驗熱效率高的好處。
圖:普賽(sai)斯PL系(xi)列的窄智能LIV測(ce)試方(fang)法操作系(xi)統

圖:普賽(sai)斯HCPL100高交流電(dian)脈寬電(dian)源(yuan)適配器
PID軟件測試計劃書
策劃方案通過E系列的高輸出功率源測模塊看作髙壓源,給太陽時能動力電池部件的工業和金屬材料較為時尚的窄框給予1000V或1500V髙壓,測兩端左右有沒有漏直流電。儀器通過恒壓測流機制,最大的輸出功率多達3500V,最窄直流電低至1nA。
圖:普賽(sai)斯(si)E系例高電(dian)流電(dian)壓(ya)源測單元測試卷(juan)
干電池控件公測預案
鈣鈦礦電芯模塊一般 是利用多塊電芯串串聯成型,占有更重電流量量和工作效率。普賽斯HCP大工作效率脈寬源表最大的電流量量100A,比較高工作效率搭載5000W,可充分考慮大工作效率的電芯模塊I-V測量訴求。
圖:普賽斯HCP國產大電(dian)流量臺式電(dian)腦脈(mo)沖發生器源表
普賽斯儀器發布的精密五金型數據源表(SMU)是對鈣鈦礦陽光怎么樣直曬能微型蓄干電池和很多別元器的做電機械性定性分析的更好緩解設計方案。其開闊的工作電流和電流電壓測定使用范圍,能否為科技研究及制作手工制造帶來了優良的測定機械性。根據陽光怎么樣直曬光仿真模擬器、專門用的串口通信軟件,能大大變得簡化陽光怎么樣直曬能微型蓄干電池檢測率,能否更精確度、更輕易的定性分析元器。 相關普賽斯全類型數碼源表(SMU)及APP工作方案的資料,青睞立刻來電顯示咨詢服務18140663476。
在線
咨詢
掃碼
下載