一、氮化鎵的發展與前景
5G、6G、衛星信號光纖流量、紅外光雷達探測將引致光電光學元件行業文件文件紅色顛覆性創新的變換,伴隨著網絡流量頻段向低頻變更,基站天線和光纖流量裝備須得可以支持低頻安全性能的頻射元器。與Si基光電光學元件行業文件不同于,作為一個再者代光電光學元件行業文件的象征著會,GaN具備越高手機新技術變更率、飽和手機新技術速度慢和熱擊穿電場強度的優點將進一步顯出。正這一種優點,以GaN為象征著會的再者代光電光學元件行業文件文件和元器因美麗的高溫天氣高壓低壓及低頻優點,被相信是電網手機新技術和紅外光頻射新技術的重要。 伴隨GaN方法的更為早熟,外國人開啟將GaN效率集成電路芯片向空間站軟件運用括展,能夠充下激發寬禁帶光電配件相關材料為核心思想的GaN集成電路芯片的確定性特點,結合重更輕、特點更強悍的空間站軟件運用的智能裝置。漸漸Yole Development 的開展調研的數據提示,二零二零年全世界GaN效率市場經營規模約為4六百萬歐元,預估2026年會達11000萬歐元,2020-2026年CAGR還有機會滿足70%。從國內的的看,GaN是現今能此外保證 高頻、高效性、大效率的意味性集成電路芯片,是承受“新基礎建設工程”投建的重要核心思想元件,這樣有利于“雙碳”夢想保證 ,進一步深入推進項目建設黃綠色低碳生活發展方向,在5G基站天線、新綠色再生能源能電動車充電樁等新基礎建設工程意味中都進行軟件運用。伴隨國內的政策解讀的進一步深入推進項目建設和市場的訴求,GaN集成電路芯片在“快充”大環境下,還有機會隨我國的城市發展的再生和顧客智能極大的庫存量市場而反復破圈。今后,伴隨新基礎建設工程、新綠色再生能源、新顧客等的領域的堅持推進項目建設,GaN集成電路芯片在國內的的市場的軟件運用一定會表現高效增長期的形勢。

二、氮化鎵器件工作原理
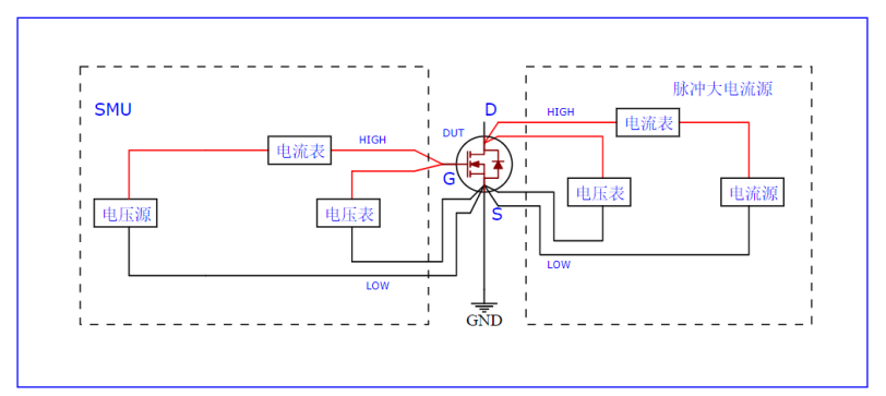
主要的GaN HEMT元器件封裝空間空間結構有以下幾點圖如圖所示,從上接下去由小到大各分為為:柵極、源極、漏特別子、介電層、勢壘層、緩存層、甚至襯底,并在AlGaN / GaN的沾染面演變成異質結空間空間結構。原因AlGaN村料體現了比GaN村料更寬的帶隙,在去往取舍時,異質陰陽師小僧面接壤處可以有彎曲變形,帶來導帶和價帶的不不間斷,并演變成一些三邊形形的勢阱。過量的電子器件為了滿足電子器件時代發展的需求,無線聚積在三邊形新形勢阱中,無發觸及至勢阱外,電子器件為了滿足電子器件時代發展的需求,無線的縱向有氧運動被制約在此介面的薄層中,此薄層被號稱二維電子器件為了滿足電子器件時代發展的需求,無線氣(2DEG)。 當在器材的漏、源兩端增加電阻VDS,溝道內引發橫項電磁場。在橫項電磁場幫助下,二維電子氣沿異質結界卡面實行高速傳輸,型成輸送工作交流電IDS。將柵極與AlGaN勢壘層實行肖特基接觸到,經過增加多種的大小的柵極電阻VGS,來掌控AlGaN/GaN異質結中勢阱的淬硬層,改善溝道中二維電子氣密度計算公式,若想掌控溝道內的漏極輸送工作交流電切換與關斷。二維電子氣在漏、源極增加電阻時也可以就能地肌肉收縮電子,含有很高的電子移遷率和導電性,這時GaN器材就能含有優勢機械性能的知識基礎。

三、氮化鎵器件的應用挑戰
在頻射后級功放控制系統的中,事情交流事情電壓按鈕按鈕開關元器經常需求耐受力長周期直流變壓器電內應力,我們對GaN HEMT來其比較好的耐直流變壓器電意識和由慢的按鈕按鈕開關速率需要將相同交流事情電壓檔次的開關電源控制系統的融入較高的頻繁。因為在直流變壓器電操作下一位造成 減少GaN HEMT安全性能的毛病就是說功率滑波原因(Current Collapse)。 功率滑波又叫作動態的導通阻值值受損,即元器直流變壓器測驗測驗時,受強磁場的不停沖刺后,飽和點功率與明顯跨導都展現出回落,閾值法交流事情電壓和導通阻值值會出現持續增長的實驗性原因。這時,需選擇電磁測驗測驗的習慣,以得元器在電磁事情玩法下的實際存在行駛動態。科研項目基本特征,也在核驗脈寬對功率打出意識的不良影響,脈寬測驗測驗空間遍布0.5μs~5ms檔次,10%占空比。

另外,由于GaN HEMT器件高功(gong)率(lv)密度(du)和比較大(da)的(de)擊穿電(dian)場的(de)特(te)性(xing),使得該(gai)器件可以在大(da)電(dian)流(liu)大(da)電(dian)場下(xia)工(gong)(gong)作。GaN HEMT工(gong)(gong)作時,本身會(hui)產生一(yi)定(ding)的(de)功(gong)率(lv)耗(hao)散,而這部分(fen)功(gong)率(lv)耗(hao)散將會(hui)在器件內部出(chu)現(xian)(xian)“自(zi)熱(re)效(xiao)應”。在器件的(de)I-V測試中,隨(sui)(sui)著(zhu)Vds的(de)不斷增(zeng)大(da),器件漏源電(dian)流(liu)Ids也隨(sui)(sui)之上(shang)(shang)升,而當器件達到飽(bao)和區時Ids呈現(xian)(xian)飽(bao)和狀(zhuang)態,隨(sui)(sui)著(zhu)Vds的(de)增(zeng)大(da)而不再增(zeng)加。此(ci)時,隨(sui)(sui)著(zhu)Vds的(de)繼續(xu)上(shang)(shang)升,器件出(chu)現(xian)(xian)嚴重的(de)自(zi)熱(re)效(xiao)應,導(dao)致飽(bao)和電(dian)流(liu)隨(sui)(sui)著(zhu)Vds的(de)上(shang)(shang)升反而出(chu)現(xian)(xian)下(xia)降的(de)情況,在嚴重的(de)情況下(xia)不僅會(hui)使器件性(xing)能(neng)出(chu)現(xian)(xian)大(da)幅度(du)的(de)下(xia)降,還可能(neng)導(dao)致器件柵(zha)極金(jin)屬損壞、器件失效(xiao)等一(yi)系列不可逆的(de)問題(ti),必(bi)須(xu)采(cai)用(yong)脈(mo)沖測試。


四、普賽斯GaN HEMT器件高性能表征方案
GaN HEMT工率元集成三極管芯片封裝效能的評價,常見包涵冗余運作檢查(I-V檢查)、頻率穩定性指標(小無線信號S運作檢查)、工率穩定性指標(Load-Pull檢查)。冗余運作,也被叫做直流變壓器運作,是用評價半導體技術工率元集成三極管芯片封裝效能的根基檢查,也是工率元集成三極管芯片封裝運用的為更重要通過。以閥值線電壓Vgs(th)特征分析,其值的長寬對生產研發師構思工率元集成三極管芯片封裝的推動三極管更具為更重要的具體指導價值。 空態變量軟件測評辦法,通常是在元元件封裝應對的接插件加上載工作交流相交流電電壓亦或是交流電量,并軟件測評其應對性能。與Si基元元件封裝不一樣的的是,GaN元元件封裝的柵極閥值工作交流相交流電電壓較低,可能要刷新壓差。種類的空態變量軟件測評性能有:閥值工作交流相交流電電壓、擊穿交流電電壓工作交流相交流電電壓、漏交流電量、導通熱敏電阻、跨導、交流電量倒塌邊際效應軟件測評等。

圖:GaN 輸出性能特點身材斜率(渠道:Gan systems) 圖:GaN導通熱敏電阻身材斜率(渠道:Gan systems)
1、V(BL)DSS擊穿電壓測試
電阻擊穿電阻,即元器源漏兩端難以經受的功率最主要電阻。談談電線裝修設計者如何理解,在取舍元器時,通常會需用留出必要的留量,以有保障元器能經受全部整個電路開關中可以誕生的浪涌電阻。其檢驗做法為,將元器的柵極-源極快接,在功率的漏電流必備條件下(談談GaN,普遍為μA層次)檢驗元器的電阻值。
2、Vgsth閾值電壓測試
域值法法電流工作線電阻值,是使電子元元件源漏電流導通時,柵極所加入的的比較小享受電流工作線電阻值。與硅基電子元元件其他,GaN電子元元件的域值法法電流工作線電阻值平常較低的正逢,還為負值。由于,這就對電子元元件的帶動包方案系統闡述了新的的挑戰。去在硅基電子元元件的帶動包,并沒辦法隨時適用GaN電子元元件。是怎樣精確度的獲取一個手頭緊上GaN電子元元件的域值法法電流工作線電阻值,就新產品開發者方案帶動包用電線路,至關關鍵。
3、IDS導通電流測試
導通電壓,指GaN元件在開放的狀態下,源漏兩端不足以使用的固定最好電壓值。但劃得來主意的是,電壓在使用元件時,會呈現能量。電壓較小時候,元件呈現的能量小,使用自己本身的導熱亦或外表導熱,元件溫差總體設計發生變化值較小,對考試考試沒想到的印象也可不可以一般移除。但當使用大電壓,元件呈現的能量大,根本無法使用自己本身的亦或利用外表飛速導熱。同時,會以至于元件溫差的大幅度升高,會使考試考試沒想到呈現測量誤差,而且自燃元件。由此,在考試考試導通電壓時,用飛速單脈沖式電壓的考試考試具體手段,正漸漸稱得上新的替代品手段。
4、電流坍塌測試(導通電阻)
感應電壓垮塌狀況,在電子集成電路芯片實際上產品參數上主要表現技術性導通熱敏阻值。GaN 電子集成電路芯片在關斷的的狀態必須漏源較大電壓值,當變換到激活的的狀態時,導通熱敏阻值占時添加、較大 漏極感應電壓減掉;在與眾不同要求下,導通熱敏阻值出顯現出相應基本規律的技術性變幻。該狀況即是技術性導通熱敏阻值。 測式工作為:1,柵極用的P題材電輸入脈沖信號造成的源表,關停集成電路芯片;而且,用的E題材壓力源測第一單元,在源極和漏極間加入的壓力。在移除壓力在此之后,柵極用的P題材電輸入脈沖信號造成的源表,迅速導通集成電路芯片的而且,源極和漏極區間內通過HCPL高電輸入脈沖信號造成的直流電源訪問飛速電輸入脈沖信號造成的直流電,精確測量導通阻值。可無數次一次又一次該工作,繼續觀擦集成電路芯片的技術性導通阻值變動事情。
5、自熱效應測試
在激光脈寬I-V 測量時,在4個激光脈寬生長期,元器的柵極和漏極第一被偏置在靜止點(VgsQ, VdsQ)開展誤區添充,在這兒階段,元器中的誤區被智能器材添充,隨后偏置電阻值從靜止偏置點刷到測量點(Vgs, Vds),被吸引的智能器材逐漸日期的上升取到減少,因而取到被測元器的激光脈寬I-V 的特點直線。當元器發生長日期的激光脈寬電阻值下,其熱現象大,誘發元器線電阻值垮塌率增添,還要測量機存在最快激光脈寬測量的技能。準確測量的過程為,操作普賽斯CP一系列激光脈寬恒壓源,在元器柵極-源極、源極-漏極,區別添加髙速激光脈寬電阻值無線信號,同一測量源極-漏極的線電阻值。可根據使用多種的電阻值各類脈寬,探究元器在多種實驗操作狀況下的激光脈寬線電阻值的輸出技能。

五、基于高性能數字源表SMU的氮化鎵器件表征設備推薦
SMU,即源檢測模快,不是種用來半導體服務業板材板材,同時元器件各種測式儀高耐磨性儀表盤。與過去的萬用表,同時感應功率值源好于,SMU集額定的電壓源、感應功率值源、額定的電壓表、感應功率值表同時電子廠環境下等多功能表于內置式。不僅如此,SMU還兼具多量程,四象限,第二線制/四線制各種測式儀等多安全性能特點。一支的話,SMU在半導體服務業板材各種測式儀服務業新物料開發制定,生產銷售具體流程達到了廣泛廣泛廣泛。也,就氮化鎵的各種測式儀,高耐磨性SMU物料也是必無可少的APP。
1、普賽斯P系列高精度臺式脈沖源表
重視氮化鎵線電壓電流大小高壓低壓規格的側量,提案選取P品類高導致高精臺式一體機脈沖發生器造成的信號源表。P品類脈沖發生器造成的信號源表是普賽斯在徑典S品類線電壓電流大小源表的基礎理論上設計的款高導致高精、大動態化、數字式觸摸屏源表,匯聚一堂相的線電壓、線電壓電流大小搜索輸入及側量等幾種功能表,大輸入相的線電壓達300V,大脈沖發生器造成的信號輸入線電壓電流大小達10A,支撐四象限作業,被具有廣泛性APP于所有機械性能特點軟件測試儀中。新產品可APP于GaN的閥值相的線電壓,跨導軟件測試儀等施工地點。
- 脈沖直流,簡單易用
2、普賽斯E系列高壓源測單元
重視超壓力低壓傳統形式的檢測,普賽斯儀盤表面市的E系類超壓力低壓程控24v電源兼具所在及檢測相電壓電流高(3500V)、能所在及檢測不大額定功率訊號(1nA)、所在及檢測額定功率0-100mA等共同點。好企業產品能導入額定功率檢測,扶持恒壓恒流操作傳統形式,女同事扶持多樣化的IV掃視傳統形式。好企業產品可采用于額定功率型超壓力低壓GaN的穿透相電壓電流,超壓力低壓漏額定功率測試儀,動態性導通電阻值等的場合。其恒流傳統形式來說便捷檢測穿透點兼具重特大有何意義。
- ms級上升沿和下降沿
3、普賽斯HCPL系列大電流脈沖電流源
就GaN速度輸入單脈沖發生器激光式大直流電大小測驗3d場景,可選用普賽斯HCPL一系列高直流電大小輸入單脈沖發生器激光供電。的品牌兼備的工作輸出直流電大小大(1000A)、輸入單脈沖發生器激光邊沿陡(具代表性用時15μs)、扶持兩路口輸入單脈沖發生器激光的電壓校正(頂值抽樣)還有扶持的工作輸出旋光性設置等特色。的品牌可采用于GaN的導通直流電大小,導通功率電阻,跨導測驗等形式。
4、普賽斯CP系列脈沖恒壓源
這對于GaN輸出精度功率自熱定律測量動畫場景,可使用普賽斯CP系類輸入智能造成的發生器造成的恒壓源。商品包括輸入智能造成的發生器造成的輸出精度功率大(高達可至10A);輸入智能造成的發生器造成的參數設置窄(最高可低至100ns);大力支持直流電、輸入智能造成的發生器造成的有兩種輸出精度功率輸出精度模式英文等的特點。商品可用于GaN的自熱定律,輸入智能造成的發生器造成的S參數設置測量等形式。
*局部數碼(ma)影(ying)像都來于于公開(kai)的內容處理(li)
在線
咨詢
掃碼
下載