集成電路測試貫穿了從設計、生產到實際應用的全過程,大致分為:
- 設定方案分階段的設定方案核實自測- 晶圓生產制造關鍵期的生產工藝監控攝像頭測試儀- 二極管封裝前的晶圓測式- 二極管封裝后的原材料各種測試芯片測試應用現狀
芯片測試作為芯片設計、生產、封裝、測試流程中的重要步驟,是使用特定儀器,通過對待測器件DUT(Device Under Test)的檢測,區別缺陷、驗證器件是否符合設計目標、分離器件好壞的過程。其中直流參數測試是檢驗芯片電性能的重要手段之一,常用的測試方法是FIMV(加電流測電壓)及FVMI(加電阻值測功率)。
一般的存儲芯片電能力軟件考試考試還要數臺電子義表已完成,如端電壓源、直流電壓源、萬用表等,其實由數臺電子義表組成的整體還要不同參與編譯程序、微信同步、相連接、在線測量和深入分析,過程中 簡化又時長,又占用率假如你軟件考試考試臺的辦公空間,而是便用多元化技能的電子義表和鼓勵激勵源還普遍存在簡化的充分間重置操作流程,有挺大的不來確判定及越慢的數據總線發送速度快等通病,難以要求熱效率率軟件考試考試的供需。實施芯片電性能測試的最佳工具之一是數字化源表(SMU),數字(zi)源表可(ke)作為獨(du)立(li)的恒壓源或恒流(liu)源、電壓表、電流(liu)表和電子負載,支持四象限功能,可(ke)提供恒流(liu)測(ce)壓及恒壓測(ce)流(liu)功能,可(ke)簡化芯片(pian)電性能測(ce)試(shi)方案(an)。
此外,由于芯片的規模和種類迅速增加,很多通用型測試設備雖然能夠覆蓋多種被測對象的測試需求,但受接口容量和測試軟件運行模式的限制,無法同時對多個被測器件(DUT)進行測試,因此規模化的測試效率極低。特別是在生產和老化測試時,往往要求在同一時間內完成對多個DUT的測試,或者在單個DUT上異步或者同步地運行多個測試任務。
基于普賽斯CS系列多通道插卡式數字源表搭建的測試平臺,可進行多路供電及電參數的并行測試,高效、精確地對芯片進行電性能測試和測試數據的自動化處理。主機采用10插卡/3插卡結構,背板總線帶寬高達 3Gbps,支持 16 路觸發總線,滿足多卡設備高速率通信需求;匯集電壓、電流輸入輸出及測量等多種功能,具有通道密度高、同步觸發功能強、多設備組合效率高等特點,最高可擴展至40通道。

圖1:普(pu)賽斯CS系例(li)插(cha)卡式源表
(10插(cha)卡(ka)及3插(cha)卡(ka),高至(zhi)40入口通道)
基于數字源表SMU的芯片測試方案
操作普賽斯數字9源表來進行IC芯片的開串電自測(Open/Short Test)、漏電流自測(Leakage Test)或者DC指標自測(DC Parameters Test)。1、開短路測試(O/S測試)
開擊穿檢驗(Open-Short Test,也稱不間斷性或學習檢驗),適用驗正檢驗軟件與元件其它引腳的電學習性,檢驗的操作過程是暫借對地確保穩壓管確定的,檢驗連接方式電線相應表達:
圖2:開(kai)跳閘測(ce)試測(ce)試錢路接觸舉手
2、漏電流測試
漏電流測評,又稱作為Leakage Test,漏電流測評的目的意義大部分是公測錄入Pin腳及其高阻的狀態下的打出Pin腳的電位差是不是夠高,測評銜接控制電路如下所述已知:
圖(tu)3:漏電流測試(shi)英文輸電線路相連(lian)舉(ju)手
3、DC參數測試
DC性能指標設置的考試,常見有的是Force電阻值考試電阻值甚至Force電阻值考試電阻值,包括是考試電位差性。常見不同DC性能指標設置都將在Datasheet里表示,考試的包括最終目的是保障處理器的DC性能指標設置值合適規范化:
圖4:DC主要參數(shu)測試(shi)圖片(pian)火車線(xian)(xian)路無線(xian)(xian)連接圖示

測試案例

各種測試程序選配
Case 01 NCP1377B 開短路測試
檢驗 PIN 腳與 GND 范圍內相互連接的情形,檢驗期間中SMU選用3V分度值,釋放-100μA電流值,限壓-3V,檢測輸出功率結論表 1 所顯示,輸出功率結論在-1.5~-0.2 范圍內,檢驗結論 PASS。*測試軟件(jian)的(de)線路鏈接對比圖2

圖5:NCP1377B開虛(xu)接測驗報(bao)告單
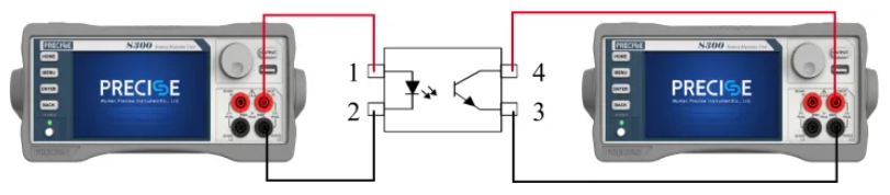
Case 02 TLP521 光電耦合器直流參數測試
光電產品交叉耦合器最包括由兩臺組群成:光的反射端及光的讀取端。光的反射端最包括由會亮電感包含,電感的管腳為光耦的讀取端。光的讀取端最包括是光敏晶狀體管, 光敏晶狀體管是憑借 PN 結在施用反相電壓電流時,在燈光直曬下反相熱敏電阻由大變小的原理圖來業務的,晶狀體管的管腳為光耦的打印輸出端。 實例選擇兩個路由器SMU對其進行檢查,這臺SMU與功率元器手機導出端接,做恒流源驅動軟件會亮場效應管并在測量手機導出端相應的技術參數表,另這臺SMU與功率元器導出端接,做恒壓源并在測量導出商品詳情頁相應的技術參數表。*檢(jian)查層面銜接定(ding)義(yi)圖(tu)4

圖(tu)6:BVECO 測式數(shu)劇及線性

圖7:ICEO考(kao)試大(da)數據(ju)及曲線擬合

圖8:錄入性能曲(qu)線(xian)方程

圖9:轉換特質折線

在線
咨詢
掃碼
下載